Поиск по номеру запчасти: 18730
-
GERIАналог
- Бренд: GERI
- Глубина: 34 мм
- Толщина: 34 мм
- Ширина (мм): 438
- Длина: 518 мм
- Высота: 518 мм
- Размеры радиатора: 518x438x34
- Материал: алюминий
- Оснащение / оборудование: для автомобилей с кондиционером
- Вид коробки передач: механическая коробка передач
-
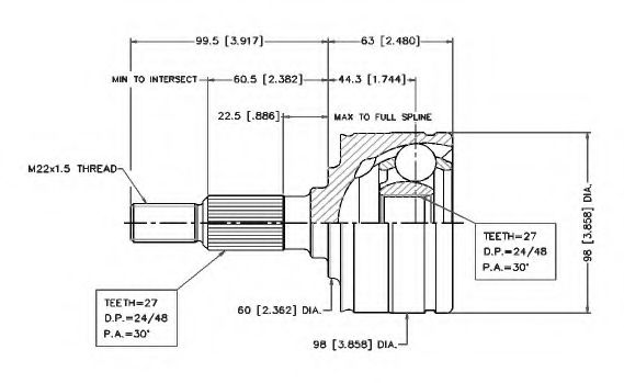
MALÒАналог
- Бренд: MALÒ
- Сторона установки: передняя ось, двусторонне
- Без шарикового подшипника: .
- Необходимое количество: 2
-
ORIGINAL IMPERIUM
- Бренд: ORIGINAL IMPERIUM
- Сторона установки: сверху
- Вес: 380 г
-
-
-
-
STANDARD
- Бренд: STANDARD
- Длина кабеля: 300 мм
- Для патрубка диаметром: 7 мм
- Катушка зажигания: Исполнение соединения М4
- Провод зажигания: Медный провод зажигания
-
WALKER PRODUCTSАналог
- Бренд: WALKER PRODUCTS

